Hướng dẫn sử dụng máy rửa xe áp lực Hyundai các Model HYW2500P, HYW3000p, HYW3100P, HYW3100P2, HYW4000P
1. GIỚI THIỆU
2. NHẬN DẠNG SẢN PHẨM
3. AN TOÀN
4. HỆ THỐNG LƯU TR PET DẦU PETROL
5. HỘI NHẬP
6. SÁCH KIỂM TRA DANH SÁCH SẢN PHẨM
7. KHỞI ĐỘNG MÁY RỬA XE ÁP LỰC
8. TẮTMÁY RỬA XE ÁP LỰC
9. DÂY CHUYỂN NHANH
10. XỬ LÝ SỰ CỐ
11. BẢO QUẢN
12. PHẦN PHÂN PHỐI
13. BẢO TRÌ
14. TUYÊN BỐ PHÙ HỢP
 ***************************************************************************************************************************************************************************************************************************************************
1. GIỚI THIỆU
Chú ý: Đọc kỹ hướng dẫn sử dụng trước khi sử dụng
Máy rửa xe áp lực.
1.1. Cảnh báo carbon monoxide.
1.1.1. Carbon monoxide là một loại khí không màu và không mùi. Hít khí này có thể gây tử vong cũng như các vấn đề sức khoẻ lâu dài nghiêm trọng như tổn thương não.
Các triệu chứng ngộ độc carbon monoxide có thể bao gồm nhưng không giới hạn ở tiếp theo; Nhức đầu, chóng mặt, buồn nôn, khó thở, đột quỵ hoặc mất
ý thức.
1.1.2. KHÔNG sử dụng trong một khu vực kín hoặc trên một chiếc xe đang di chuyển.

1.2. Sử dụng sổ tay hoạt động.
1.2.1. Hướng dẫn vận hành là một phần quan trọng của máy rửa xe áp lực và nên được đọc kỹ trước khi sử dụng ban đầu, và thường xuyên nhắc đến để đảm bảo an ninh đầy đủ và các mối quan tâm dịch vụ đang được giải quyết.
1.2.2. Đọc kỹ hướng dẫn sử dụng một cách kỹ lưỡng giúp tránh mọi thương tích cá nhân hoặc thiệt hại cho máy rửa xe áp lực của bạn.
Thông tin trong cuốn cẩm nang này sẽ cung cấp cho bạn các công cụ hiệu quả nhất để làm sạch cũng như an toàn nhất. Bằng cách biết cách nào tốt nhất vận hành máy này bạn sẽ có vị trí tốt hơn để chỉ cho những người khác có thể cũng vận hành các đơn vị.
1.2.3. Hướng dẫn này chứa đựng thông tin cho toàn bộ máy rửa xe áp lực và được đặt theo thứ tự, bắt đầu từ các yêu cầu về an toàn, đến các chức năng vận hành chiếc máy của bạn. Bạn có thể tham khảo lại hướng dẫn sử dụng ở bất kỳ thời gian để giúp khắc phục sự cố bất kỳ chức năng điều hành cụ thể, do đó, lưu trữ nó với máy mọi lúc.
1.3. Để ý.
1.3.1. Áp lực thực tế được phát hành tại điểm xả có thể khác nhau tùy theo máy đến các yếu tố khác nhau bao gồm: Khối lượng nước được cho vào máy bởi nguồn nước, việc đưa một máy phun hoá chất vào dòng, hay các biến thể trong  hiệu suất của động cơ.
2. NHẬN DẠNG SẢN PHẨM
2.1. Máy rửa xe áp lực
2.1.1. Nếu bạn cần liên hệ với một đại lý ủy quyền hoặc dịch vụ khách hàng cho Thông tin về phục vụ, luôn cung cấp các mô hình sản phẩm và nhận dạng số.
2.1.2. Bạn sẽ cần phải xác định vị trí mô hình và số sê-ri cho máy và ghi lại những thông tin được cung cấp dưới đây.
Ngày mua
Tên người bán
Điện thoại đại lý
Số mô hình
Số sê ri
Số mô hình động cơ
3. AN TOÀN
3.1. Các hướng dẫn về an toàn quan trọng sẽ lưu lại những hướng dẫn này.
3.1.1. CẢNH BÁO - Khi sử dụng sản phẩm này, các biện pháp phòng ngừa cơ bản phải luôn luôn được theo sát, bao gồm:
3.1.1.1. Đọc tất cả các hướng dẫn trước khi sử dụng sản phẩm.
3.1.1.2. Để giảm rủi ro bị thương, cần phải có sự giám sát chặt chẽ khi sử dụng sản phẩm gần trẻ em.
3.1.1.3. Biết cách dừng sản phẩm và ngăn chặn áp lực nhanh chóng. Hoàn toàn quen thuộc với cách điều khiển máy.
3.1.1.4. Hãy cảnh giác - xem bạn đang làm gì
3.1.1.5. Không vận hành sản phẩm khi mệt mỏi hoặc dưới ảnh hưởng của rượu hoặc ma túy.
3.1.1.6. Giữ khu vực hoạt động rõ ràng cho tất cả mọi người
3.1.1.7. Không vượt quá hoặc đứng trên sự hỗ trợ không ổn định. Giữ chân tốt và cân bằng mọi lúc.
3.1.1.8. Làm theo các hướng dẫn bảo trì được chỉ ra trong hướng dẫn sử dụng.
3.2. Hiểu nhãn an toàn của máy
3.2.1. Nhãn an toàn của máy được hiển thị dưới đây được đặt trên máy của bạn để vẽ. Chú ý đến các mối nguy an toàn tiềm ẩn.

3.3. Quy tắc an toàn.
Đây là biểu tượng cảnh báo an toàn. Nó được sử dụng để cảnh báo bạn về tiềm năng cá nhân, nguy hiểm thương tích. Tuân theo tất cả các thông báo an toàn theo biểu tượng này để tránh thương tích hoặc tử vong có thể xảy ra. Biểu tượng cảnh báo an toàn () được sử dụng với một tín hiệu từ (NGUY HIỂM, LƯU Ý, CẢNH BÁO), một bức tranh hoặc thông báo an toàn đến cảnh báo bạn với những mối nguy hiểm.
3.3.1. CẢNH BÁO - Chỉ ra một nguy cơ mà nếu không tránh được có thể dẫn đến tử vong hoặc thương tích nghiêm trọng.
3.3.2. THẬN TRỌNG - Chỉ ra một nguy cơ mà nếu không tránh, có thể gây ra thương tích vừa phải.
3.3.3. THÔNG BÁO - Chỉ ra tình huống có thể gây hư hỏng thiết bị.
3.3.4. Theo dõi các thông báo an toàn để tránh hoặc giảm nguy cơ thương tích hoặc tử vong.

3.3.5. CẢNH BÁO Nguy cơ điện giật, tiếp xúc với nguồn điện có thể gây ra sốc điện hoặc bỏng.

3.3.6. CẢNH BÁO Nhiên liệu và hơi của nó cực kỳ dễ bắt lửa và nổ.

3.3.7. CẢNH BÁO Hỏa hoạn hoặc nổ có thể gây bỏng nặng hoặc tử vong.

3.3.7.1. Khi thêm hoặc xả nhiên liệu
3.3.7.1.1. Tắt máy giặt áp suất OFF và để nguội ít nhất 2 phút trước khi mở nắp nhiên liệu. Nới lỏng nắp để giảm áp suất bình chứa.
3.3.7.1.2. Đổ thùng nhiên liệu ngoài trời.
3.3.7.1.3. KHÔNG Đổ quá đầy bể. Cho phép mở rộng nhiên liệu (25mm từ đầu).
3.3.7.1.4. Nếu nhiên liệu đổ tràn, chờ cho đến khi nó bốc hơi trước khi khởi động động cơ.
3.3.7.1.5. Giữ nhiên liệu tránh xa các tia lửa, ngọn lửa, đèn hoa tiêu, nhiệt, và các nguồn đánh lửa khác.
3.3.7.1.6. KHÔNG đánh lửa thuốc lá hoặc hút thuốc.
3.3.7.2. Khi bắt đầu thiết bị
3.3.7.2.1. Đảm bảo bugi, ống xả, nắp nhiên liệu, và bộ lọc không khí
3.3.7.2.2. KHÔNG Đuôi động cơ bằng bugi.
3.3.7.3. Khi điều hành thiết bị
3.3.7.3.1. KHÔNG ĐƯA động cơ hoặc thiết bị ở góc gây ra tràn nhiên liệu.
3.3.7.3.2. Không phun chất lỏng dễ cháy.
3.3.7.4. Khi vận chuyển hoặc sửa chữa thiết bị
3.3.7.4.1. Vận chuyển / sửa chữa với thùng chứa nhiên liệu trống hoặc với Van tắt nhiên liệu.
3.3.7.4.2. Ngắt kết nối dây bugi.
3.3.7.5. Khi lưu trữ nhiên liệu hoặc thiết bị có nhiên liệu trong bể
3.3.7.5.1. Tránh xa bếp lò, lò sưởi, máy nước nóng, quần áo, máy sấy hoặc các thiết bị khác có ánh sáng hoặc đèn đánh lửa khác vì chúng có thể đốt cháy hơi nhiên liệu.
3.3.8. CẢNH BÁO Khí thải của động cơ có chứa carbon monoxide, không mùi, không màu, khí độc. Hít phải carbon monoxide có thể gây đau đầu, mệt mỏi, chóng mặt, nôn mửa, nhầm lẫn, động kinh, buồn nôn, ngất xỉu hoặc tử vong.
Một số hóa chất hoặc chất tẩy rửa có thể gây hại nếu hít hoặc nuốt phải, gây ra buồn nôn nghiêm trọng, ngất xỉu, hoặc ngộ độc.

3.3.8.1. Chỉ hoạt động ngoài trời.
3.3.8.2. Không cho phép khí thải đi vào khu vực giới hạn thông qua cửa sổ, cửa ra vào, lỗ thông gió hoặc các lỗ khác.
3.3.8.3. KHÔNG bắt đầu hoặc chạy động cơ trong nhà hoặc trong một khu vực kín, ngay cả khi cửa sổ và cửa ra vào mở.
3.3.8.4. Sử dụng mặt nạ thở hoặc mặt nạ bất cứ khi nào có khả năng bị hít phải khí độc.
3.3.8.5. Đọc tất cả các hướng dẫn với mặt nạ để bạn chắc chắn rằng mặt nạ sẽ cung cấp sự bảo vệ cần thiết để bạn không hít phải những hơi độc hại.
3.3.9. CẢNH BÁO Khởi động lại dây (khởi động nhanh) có thể dẫn đến thương tích cơ thể. Kickback sẽ kéo tay và cánh tay về phía động cơ nhanh hơn bạn có thể buông bỏ có thể dẫn đến gãy xương, vết thâm tím, hoặc bong gân.

3.3.9.1. KHÔNG BAO GIỜ kéo dây khởi động mà không cần phải phóng ra áp lực của súng phun.
3.3.9.2. Khi khởi động động cơ, kéo dây điện chậm cho đến khi cảm thấy điện trở và sau đó jéo nhanh để tránh bị giật.
3.3.9.3. Sau mỗi lần khởi động, khi động cơ không chạy, luôn luôn trỏ súng phun theo hướng an toàn và siết chặt súng phun để phóng thích sức ép.
3.3.9.4. Nắm vững súng phun bằng cả hai tay khi sử dụng áp lực cao. Phun để tránh chấn thương khi súng phun lại.
3.3.10. CẢNH BÁO Sử dụng máy rửa xe áp lực có thể tạo ra các vũng nước và các bề mặt trơn trượt.

3.3.11. CẢNH BÁO Kickback từ súng phun có thể làm bạn ngã.

3.3.11.1. Vận hành máy ép áp suất từ bề mặt ổn định.
3.3.11.2. Dọn dẹp khu vực phải có độ dốc và thoát nước thích hợp giảm khả năng sụp đổ do bề mặt trơn trượt.
3.3.11.3. Hãy cực kỳ cẩn thận nếu bạn phải sử dụng máy rửa xe áp lực từ giàn giáo hoặc bất kỳ vị trí tương tự nào khác.
3.3.11.4. Nắm vững súng phun bằng cả hai tay khi sử dụng áp lực cao. Phun để tránh chấn thương khi súng phun lại.
3.3.12. CẢNH BÁO Việc tiếp xúc với vùng xả có thể dẫn đến bỏng nghiêm trọng.

3.3.13. CẢNH BÁO Hơi nóng / khí có thể đốt cháy các chất dễ cháy, các cấu trúc hoặc hư hỏng thùng nhiên liệu gây cháy.

3.3.13.1. KHÔNG chạm vào các bộ phận nóng và tránh các khí thải nóng.
3.3.13.2. Để cho thiết bị nguội trước khi chạm vào.
3.3.13.3. Giữ ít nhất 5 feet (1,5 m) độ dốc trên tất cả các mặt của máy rửa xe áp lực bao gồm trên không.
3.3.14. CẢNH BÁO Nguy cơ thương tích mắt. Phun có thể bắn tung tóe hoặc đẩy các đồ vật.

3.3.14.1. Luôn luôn đeo kính an toàn khi sử dụng thiết bị này hoặc trong vùng lân cận nơi thiết bị đang được sử dụng.
3.3.14.2. Trước khi bắt đầu máy rửa xe áp lực, hãy chắc chắn bạn đang đeo kính bảo hộ đầy đủ.
3.3.14.3. KHÔNG BAO GIỜ thay kính khác cho kính an toàn.
3.3.15. CẢNH BÁO Dòng nước áp suất cao mà thiết bị này sản xuất có thể xuyên qua da và các mô bên dưới, dẫn tới thương tổn nghiêm trọng và có thể bị cắt cụt. Súng phun áp lực nước cao, ngay cả khi động cơ dừng lại và nước bị ngắt kết nối, có thể gây thương tích.

3.3.15.1. KHÔNG cho phép TRẺ EM vận hành máy rửa xe áp lực.
3.3.15.2. KHÔNG BAO GIỜ sửa ống cao áp mà phải thay thế nó.
3.3.15.3. KHÔNG BAO GIỜ sửa chữa các mối nối bị rò rỉ với bất kỳ loại chất trám kín nào. Thay thế vòng hoặc chốt.
3.3.15.4. KHÔNG BAO GIỜ kết nối ống cao áp với đầu vòi phun.
3.3.15.5. Giữ ống áp suất cao kết nối với bơm và súng phun trong khi hệ thống được áp lực.
3.3.15.6. Sử DỤNG súng phun theo hướng an toàn và siết kích hoạt súng phun, để giải phóng áp suất cao, mỗi khi bạn ngừng động cơ.
3.3.15.7. KHÔNG BAO GIỜ hướng súng phun vào người, động vật hoặc thực vật.
3.3.15.8. Bảo đảm súng phun KHÔNG ở vị trí mở.
3.3.15.9. KHÔNG để súng phun không giám sát trong khi máy đang chạy.
3.3.15.10. KHÔNG BAO GIỜ sử dụng súng phun mà không có khóa kích hoạt hoặc kích hoạt bảo vệ tại chỗ và làm việc.
3.3.15.11. Luôn luôn có một số súng phun, vòi phun và phụ kiện chính xác đính kèm.
3.3.16. CẢNH BÁO Các bộ phận khởi động và các bộ phận quay khác có thể vướng vào tay, tóc, quần áo, hoặc phụ kiện.

3.3.16.1. KHÔNG BAO GIỜ vận hành máy rửa xe áp lực mà không có vỏ bảo vệ hoặc vỏ bọc.
3.3.16.2. KHÔNG mặc quần áo rộng, đồ trang sức hoặc bất cứ thứ gì có thể bị mắc trong bộ phận khởi động hoặc các bộ phận quay khác.
3.3.16.3. Buộc tóc cao và loại bỏ đồ trang sức.
3.3.17. CẢNH BÁO Ngọn lửa không chủ ý có thể dẫn đến hỏa hoạn hoặc điện giật.

3.3.17.1. Khi điều chỉnh hoặc sửa chữa máy rửa xe áp lực của bạn
3.3.17.1.1. Ngắt nắp bugi ra khỏi bugi và đặt nó ở nơi mà nó không thể liên kết với tia lửa.
3.3.17.2. Khi kiểm tra cho động cơ đốt trong
3.3.17.2.1. Sử dụng thử nghiệm đánh lửa tia lửa đã được chấp thuận.
3.3.17.2.2. KHÔNG kiểm tra tia lửa với tia lửa gỡ bỏ.
3.3.18. THÔNG BÁO Xịt áp suất cao có thể làm hỏng các vật dụng dễ vỡ bao gồm thủy tinh.
3.3.18.1. KHÔNG chỉ súng phun vào kính khi sử dụng đầu phun màu đỏ 0 °.
3.3.18.2. KHÔNG BAO GIỜ nhắm mục tiêu phun súng tại nhà máy.
3.3.19. THÔNG BÁO Xử lý không đúng cách máy rửa xe áp lực có thể làm hỏng nó và rút ngắn tuổi thọ máy.
3.3.19.1. Nếu bạn có câu hỏi về mục đích sử dụng, hãy hỏi đại lý hoặc liên hệ địa chỉ đại lý ủy quyền gần nhất.
3.3.19.2. KHÔNG BAO GIỜ vận hành các đơn vị có bộ phận bị hỏng hoặc bị thiếu, hoặc không bảo vệ nhà ở hoặc bao phủ.
3.3.19.3. KHÔNG by-pass bất kỳ thiết bị an toàn trên máy này.
3.3.19.4. KHÔNG xáo trộn với tốc độ được quản lý.
3.3.19.5. KHÔNG vận hành máy rửa xe áp lực trên áp suất định mức.
3.3.19.6. KHÔNG thay đổi máy rửa xe áp lực theo bất kỳ cách nào.
3.3.19.7. Trước khi bắt đầu máy rửa xe áp lực trong thời tiết lạnh, kiểm tra tất cả các phần của thiết bị để đảm bảo băng chưa hình thành ở đó.
3.3.19.8. KHÔNG BAO GIỜ di chuyển máy bằng cách kéo ống. Sử dụng tay cầm được cung cấp trên đơn vị.
3.3.19.9. Kiểm tra hệ thống nhiên liệu để rò rỉ hoặc dấu hiệu của sự hư hỏng, chẳng hạn như chafed hoặc ống xốp, lỏng lẻo hoặc bị mất kẹp, hoặc bể hoặc nắp bị hỏng. Đúng tất cả phần khuyết trước khi sử dụng máy rửa xe áp lực.
4. HỆ THỐNG LƯU TRỮ ÁP SUẤT
Đọc hướng dẫn vận hành và các quy tắc an toàn trước khi vận hành máy rửa xe áp lực.
 
 
 1. Đầu phun Chất tẩy rửa, 0 °, 15 °, 40 ° & Turbo 
 Nozzle: dùng cho các ứng dụng làm sạch áp lực cao. | 
   
 2. Ống áp suất cao kết nối một đầu với bơm nước và đầu kia để phun súng. | 
   
 3. Núm điều khiển áp suất Thay đổi áp suất phun. | 
   
 4. Đường vào nước kết nối cho vòi tưới cây. | 
   
 5. Kết nối đầu ra áp lực cao cho ống áp suất cao. | 
 
 
   
 6. Bơm phát triển áp suất cao. | 
   
 7. Mức chỉ báo mức dầu phải ở mức nửa chừng | 
 8. Choke Lever Chuẩn bị một động cơ lạnh để bắt đầu. | 
 9. Van nhiên liệu được sử dụng để bật cung cấp nhiên liệu trên và tắt động cơ | 
 10. Bộ phận giật nổ  được sử dụng để khởi động động cơ bằng tay | 
 
 
   
   
 11. Throttle Lever Đặt động cơ ở chế độ khởi động cho bộ khởi động kéo. | 
   
   
 12. Bộ Chuyển mạch Động cơ chuyển sang "Bật" để bắt đầu kéo. Đặt chuyển sang "Tắt" để dừng động cơ đang chạy | 
   
 13. Bộ lọc khí Bảo vệ động cơ bằng cách lọc bụi và mảnh vụn ra khỏi không khí. | 
 14. Bể chứa nhiên liệu Đổ đầy bình chứa không chứa chì thông thường. Luôn luôn để lại chỗ cho sự giãn nở nhiên liệu (25mm từ trên cùng) | 
 
 
 | 15. Mở rộng súng với vòi phun nhanh Điều khiển việc phun nước lên. Làm sạch bề mặt bằng thiết bị kích hoạt. Bao gồm khóa kích hoạt. Cho phép bạn chuyển đổi giữa năm vòi phun khác nhau. | 
 
 
 
5. HỘI NHẬP
5.1. Máy rửa xe áp lực của bạn đòi hỏi một số lắp ráp và đã sẵn sàng để sử dụng sau khi nó đã được đổ đầy dầu và nhiên liệu được đề nghị.
5.2. Nếu bạn gặp vấn đề với việc lắp ráp máy rửa xe áp lực của bạn, vui lòng gọi đường dây trợ giúp. Nếu gọi để được trợ giúp, xin vui lòng lấy mẫu và số sê-ri từ thẻ dữ liệu khả dụng.
5.3. Giải nén máy rửa xe áp lực
5.3.1. Tháo túi, phụ kiện, và bộ chèn kèm theo áp suất máy rửa xe áp lực.
5.3.2. Xóa máy khỏi hộp.
5.3.3. Đảm bảo bạn có tất cả các mục bao gồm trước khi lắp ráp.
5.4. Đính kèm tay cầm
5.4.1. Đặt tay cầm (A) lên tay cầm (B) nối với máy chính. Bảo đảm lỗ (C) trong tay cầm thẳng với lỗ trên tay đỡ.
5.4.2.

5.5. GHI CHUẨN Có thể cần phải di chuyển các chốt đỡ từ bên này sang bên kia để căn chỉnh tay cầm để nó sẽ trượt qua các tay cầm xử lý.
5.6. Chèn bu lông vận chuyển qua các lỗ từ bên ngoài của đơn vị và gắn một núm nhựa từ bên trong của đơn vị. Thắt chặt bằng tay.

5.7. Lắp đầu phun kết nối nhanh nhiều màu và các phụ kiện được cung cấp khác trong khoảng trống được cung cấp trên tay cầm.

6. DANH SÁCH KIỂM TRA HOẠT ĐỘNG PRE
6.1. Thực hiện theo Danh mục kiểm tra dưới đây trước khi sử dụng máy mỗi lần
6.1.1. Kiểm tra để đảm bảo dầu động cơ ở mức hợp lý.
6.1.2. Sử dụng dầu SAE 15W40
6.1.3. Kiểm tra tay nắm 2 tay để đảm bảo chúng chặt và không rung.
6.1.4. Thêm nhiên liệu vào bình xăng - xăng thông thường không có cồn
6.1.5. Kết nối và thắt chặt các vòi vườn vào vòi vườn gắn bó.
LƯU Ý Nước phải được bật lên trước khi bắt đầu máy rửa xe áp lực, kéo nút phun để đảm bảo nước đang di chuyển qua các đường dây và ra khỏi vòi mà không có bất kỳ rò rỉ trước khi bắt đầu máy.
6.1.6. Xem lại hướng dẫn an toàn trong hướng dẫn sử dụng trước khi khởi động máy.
6.2. CẢNH BÁO Luôn kiểm tra mức độ của động cơ và bơm dầu trước khi khởi động máy rửa xe áp lực.

6.2.1. Nếu không làm như vậy có thể làm cho động cơ và máy bơm bắt giữ nếu dầu thấp hoặc trống.
6.3. CẢNH BÁO Kết nối vòi nước và nước để bơm trước khi khởi động. Đừng bắt đầu máy rửa xe áp lực mà bạn không bật nguồn nước.

6.3.1. Nếu không làm như vậy sẽ dẫn đến việc làm hỏng máy do bơm quá nóng và không được bảo hành.
7. Khởi động máy rửa xe áp lực
7.1. Để khởi động máy rửa xe áp lực lần đầu tiên, hãy thực hiện theo các hướng dẫn này theo từng bước. Thông tin khởi đầu này cũng áp dụng nếu bạn để máy rửa xe áp lực nhàn rỗi trong ít nhất một ngày.
7.1.1. Đặt máy rửa xe áp lực gần nguồn nước bên ngoài có khả năng cung cấp nước ở tốc độ dòng chảy lớn hơn 14,4 lít / phút và không dưới 20 PSI ở đầu máy giặt áp lực của vòi vườn. KHÔNG nhúng vòi nước.
7.1.2. Đảm bảo thiết bị ở vị trí định mức.
7.1.3. Kết nối vòi vườn với ống nước vào máy bơm áp suất.
7.2. CHÚ Ý KHÔNG chạy máy bơm mà không cung cấp nước và bật máy.
7.3. Gắn cây đũa vào súng phun và thắt chặt bằng tay.

7.4. Chọn vòi phun mong muốn, kéo núm khớp nối mở rộng, đầu chèn và thả khớp nối. Lốc vào vòi phun để đảm bảo nó an toàn tại chỗ. Xem lựa chọn vòi phun.

7.5. Tháo ống cao áp và gắn đầu kết nối nhanh của ống vào gốc súng phun. Kéo khớp nối xuống của kết nối nhanh chóng, trượt vào súng phun và buông khớp nối. Lốc trên vòi để đảm bảo kết nối chặt chẽ. Một số mô hình có thể sử dụng một ống ren kết nối.

7.6. CẢNH BÁO Dòng nước áp suất cao mà thiết bị này sản xuất có thể cắt qua da và các mô bên dưới, dẫn đến tổn thương nghiêm trọng và có thể xảy ra cắt cụt.

7.6.1. KHÔNG BAO GIỜ kết nối ống cao áp với đầu vòi phun.
7.6.2. Giữ ống áp suất cao kết nối với bơm và súng phun trong hệ thống áp lực.
7.6.3. Luôn luôn có một số súng phun, đầu phun và phụ kiện được gắn đúng.
7.7. Gắn đầu kia của ống áp lực cao vào đầu ra áp suất cao (A) trên bơm. Kéo khớp nối xuống của kết nối nhanh chóng, trượt vào máy bơm và buông khớp nối. Kéo vào ống để đảm bảo kết nối chặt chẽ.
* Một số mô hình có thể sử dụng đầu nối ống ren.

7.8. LƯU Ý Bơm Sử dụng dầu SAE 15W 40.
7.9. Bật nguồn cung cấp nước, bắn súng theo một hướng an toàn và siết chặt cò để tẩy máy bơm không khí và các mảnh vụn. Làm điều này trong ít nhất 30 giây.
7.10. Hãy xem tất cả các kết nối để đảm bảo rằng không có rò rỉ hoặc kết nối lỏng lẻo.
7.11. QUAN TRỌNG Nếu lấy nước từ một cái thùng, bạn nên có trọng lực cung cấp. Chỉ sử dụng nước lạnh (ít hơn 38 ° C / 100 ° F).
7.12. Kết nối vòi vườn với cửa hút nước. Thắt chặt bằng tay.
7.13. Để khởi động máy, hãy tìm công tắc động cơ ở bên cạnh động cơ, và chuyển nó sang vị trí ON. (Xem biểu đồ thành phần để xác định vị trí chuyển đổi) Kiểm tra để đảm bảo van nhiên liệu ở vị trí ON và nếu bắt đầu lạnh áp dụng choke.
7.14. Luôn luôn giải phóng áp suất nước bằng cách ép súng kích hoạt.
7.15. Kéo dây co lại từ từ cho đến khi cảm ứng được đề kháng và sau đó kéo nhanh để tránh Kickback. Hãy chắc chắn rằng vị trí của mình ở một vị trí cân bằng. KHÔNG đặt tay trên xilanh động cơ để cân bằng, điều này sẽ dẫn đến bỏng nặng.
7.16. CẢNH BÁO Chạy động cơ sẽ giải phóng carbon monoxide, không mùi, không màu, khí độc. Hít phải carbon monoxide có thể gây đau đầu, mệt mỏi, chóng mặt, nôn mửa, nhầm lẫn, động kinh, buồn nôn, ngất xỉu hoặc chết.

7.16.1. Chỉ vận hành máy rửa xe áp lực ngoài trời.
7.16.2. Giữ khí thải từ một khu vực giới hạn qua cửa sổ, cửa ra vào, lối vào thông gió, hoặc các khe hở khác.
7.16.3. KHÔNG bắt đầu hoặc chạy động cơ trong nhà hoặc trong một khu vực kín, ngay cả khi cửa sổ và cửa mở.
7.17. QUAN TRỌNG Trước khi khởi động máy rửa xe áp lực, hãy chắc chắn bạn đang đeo kính bảo hộ đầy đủ.
7.18. CẢNH BÁO Nguy cơ thương tích mắt. Súng phun có thể bắn tung tóe hoặc đẩy các đồ vật.

7.18.1. Luôn luôn mang kính an toàn khi sử dụng thiết bị này hoặc gần khu vực thiết bị đang được sử dụng.
7.18.2. Trước khi khởi động máy rửa xe áp lực, hãy đảm bảo rằng bạn đang đeo đầy đủ kính an toàn.
7.18.3. KHÔNG BAO GIỜ thay kính thường cho kính an toàn.
7.19. CẢNH BÁO Khởi động lại dây (khởi động nhanh) có thể dẫn đến thương tích cơ thể. Kickback sẽ kéo tay và cánh tay về phía động cơ nhanh hơn bạn có thể buông bỏ. Có thể dẫn đến gãy xương, vết thâm tím, hoặc bong gân.

7.19.1. KHÔNG BAO GIỜ kéo dây khởi động mà không giảm nhẹ áp lực súng phun.
7.19.2. Khi khởi động động cơ, kéo dây điện chậm cho đến khi cảm thấy điện trở và sau đó kéo nhanh chóng để tránh bị giật ngược.
7.19.3. Sau mỗi lần khởi động, khi động cơ không chạy, hãy luôn luôn chỉ súng phun theo hướng an toàn và siết chặt súng phun để phóng ra áp suất cao.
7.19.4. Nắm vững súng phun bằng cả hai tay khi sử dụng phun áp lực cao đến tránh chấn thương khi súng phun lại.
7,20. CẢNH BÁO Dòng nước áp suất cao mà thiết bị này sản xuất có thể xuyên qua da và các mô bên dưới, dẫn đến thương tích nghiêm trọng và có thể cắt cụt. Súng phun áp lực nước cao, ngay cả khi động cơ bị dừng lại và nước bị ngắt kết nối, có thể gây thương tích.

7.20.1. KHÔNG cho phép TRẺ EM vận hành máy rửa xe áp lực.
7.20.2. KHÔNG BAO GIỜ sửa ống cao áp mà phải thay thế nó.
7.20.3. KHÔNG BAO GIỜ sửa chữa các mối nối bị rò rỉ với bất kỳ loại chất trám kín nào. Thay thế vòng chữ O hoặc chốt.
7.20.4. KHÔNG BAO GIỜ kết nối ống cao áp với đầu vòi phun.
7.20.5. Giữ ống áp suất cao kết nối với bơm và súng phun trong hệ thống áp lực.
7.20.6. SỬ DỤNG súng phun theo hướng an toàn và siết chặt súng phun, để giải phóng áp lực cao, mỗi lần bạn dừng động cơ.
7.20.7. KHÔNG BAO GIỜ hướng súng phun vào người, động vật hoặc thực vật.
7.20.8. KHÔNG bảo đảm súng phun ở vị trí mở.
7.20.9. KHÔNG để súng phun không giám sát trong khi máy đang chạy.
7,20.10. KHÔNG BAO GIỜ sử dụng súng phun mà không có khóa kích hoạt hoặc kích hoạt bảo vệ tại chỗ và làm việc.
7.20.11. LUÔN LUÔN có súng phun, vòi phun và phụ kiện chắc chắn đính kèm.
7,21. CẢNH BÁO Việc tiếp xúc với vùng xả có thể dẫn đến bỏng nghiêm trọng.
7,22. CẢNH BÁO Hơi nóng / khí có thể đốt cháy các chất dễ cháy, các cấu trúc hoặc hư hỏng thùng nhiên liệu gây cháy.

7.22.1. KHÔNG chạm vào các bộ phận nóng và tránh các khí thải nóng.
7.22.2. Để thiết bị nguội trước khi chạm vào.
7.22.3. Giữ khoảng cách dịch tối thiểu1.5m (5 feet) trên tất cả các mặt của máy giặt áp lực bao gồm cả phí.
8. TẮTMÁY RỬA XE ÁP LỰC
8.1. Làm thế nào để tắt máy rửa xe áp lực của bạn
8.1.1. Thả súng phun và để động cơ không hoạt động.
8.1.2. Chuyển công tắc động cơ sang vị trí OFF.
8.1.3. SỬ DỤNG súng phun theo hướng an toàn, siết súng phun để kích hoạt giải phóng giữ lại áp suất nước cao.
8.2. QUAN TRỌNG Súng phun sơn sẽ giữ áp suất nước cao, ngay cả khi động cơ ngừng hoạt động và nước đã ngắt kết nối. Các khớp nối sẽ không được giải phóng nếu bị áp lực.
8.3. CẢNH BÁO Dòng nước áp suất cao mà thiết bị này sản xuất có thể cắt qua da và các mô bên dưới, dẫn đến tổn thương nghiêm trọng và có thể xảy ra cắt cụt. Súng phun áp lực nước cao, ngay cả khi động cơ bị dừng lại và mước bị ngắt kết nối, có thể gây thương tích.

8.3.1. Giữ ống áp suất cao kết nối với bơm và súng phun trong khi hệ thống áp lực.
8.3.2. SỬ DỤNG súng phun theo hướng an toàn và siết chặt súng phun, để giải phóng áp lực cao, mỗi lần bạn dừng động cơ.
9. DÂY CHUYỂN NHANH
9.1. Việc phóng nhanh trên lance cho phép bạn chuyển đổi giữa bốn vòi phun khác nhau. Các vòi phun có thể thay đổi trong khi máy rửa xe áp lực đang chạy một lần súng kích hoạt khóa an toàn được tham gia. Các vòi phun khác nhau sẽ thay đổi kiểu phun như thể hiện dưới đây.

9.2. CẢNH BÁO Dòng nước áp suất cao mà thiết bị này sản xuất có thể cắt qua da và các mô bên dưới, dẫn đến tổn thương nghiêm trọng và có thể xảy ra cắt cụt.

9.2.1. KHÔNG BAO GIỜ thay đổi ống phun mà không có khóa an toàn khi kích hoạt được gắn vào súng phun.
9.2.2. KHÔNG xoắn vòi phun trong khi phun.
9.3. Làm theo các hướng dẫn sau để thay đổi vòi phun:
9.3.1. Kéo khớp nối xuống nhanh chóng và kéo vòi phun hiện tại. Lưu trữ vòi vào giữ được đặt trên tay cầm. Lưu trữ các vòi phun ở người được chỉ định sẽ giúp ngăn ngừa các mảnh vụn tắc nghẽn đầu.
9.3.2. Chọn vòi phun mong muốn:
9.3.2.1. Để rửa nhẹ nhàng, chọn vòi phun trắng 40 °.
9.3.2.2. Để quét bề mặt, chọn màu vàng 15 ° hoặc màu đỏ 0 ° vòi phun.
9.3.2.3. Để sử dụng chất tẩy rửa, chọn vòi phun màu đen.
9.3.2.4. Kéo lại khớp nối, chèn thêm vòi phun và khớp nối. Kéo trên vòi phun để đảm bảo rằng nó là an toàn tại chỗ.
9.4. Mẹo sử dụng.
9.4.1. Để làm sạch hiệu quả nhất, hãy giữ vòi phun cách xa khoảng 8 đến 24 inch để làm sạch bề mặt.
9.4.2. Nếu bạn có vòi phun quá gần, đặc biệt là sử dụng vòi phun áp suất cao, bạn có thể làm sạch bề mặt.
9.5. Để áp dụng chất tẩy rửa, hãy làm theo các bước sau:
9.5.1. Đậy đầu xà phòng đen.
9.5.2. Chuẩn bị dung dịch rửa theo yêu cầu của công việc.
9.5.3. Đặt bộ lọc nhỏ của ống xả chất tẩy rửa vào bình chứa chất tẩy rửa.
9.5.4. LƯU Ý Hãy chắc chắn rằng bộ lọc được chìm hoàn toàn trong chất tẩy rửa trong khi áp dụng
chất tẩy rửa.
9.5.5. LƯU Ý Máy rửa này sẽ chỉ thu được xà phòng với vòi phun màu đen. Các đầu phun trắng, đỏ và vàng sẽ không sử dụng được xà phòng.
9.6. Hãy chắc chắn rằng vòi phun màu đen được cài đặt.
9.7. Đảm bảo rằng vòi vườn được nối với cửa hút nước. Kiểm tra xem vòi có áp suất cao kết nối với súng phun và bơm. Bật nước.
9.8. THÔNG BÁO Bạn phải gắn tất cả các ống trước khi khởi động động cơ.
9.8.1. Khởi động động cơ không có tất cả các ống nối và không có nước bật ON sẽ làm hỏng máy bơm.
9.8.2. Thiệt hại đối với thiết bị do không thực hiện theo chỉ dẫn này sẽ làm mất hiệu lực bảo hành.
9,9. QUAN TRỌNG Bạn phải xả nước tẩy rửa sau mỗi lần sử dụng. Đặt bộ lọc vào một xô nước sạch, sau đó chạy máy rửa xe áp lực thấp. Áp lực từ 1-2 phút.
9.10. THẬN TRỌNG Hóa chất có thể gây thương tích cơ thể hoặc hư hỏng tài sản.
9.10.1. KHÔNG BAO GIỜ sử dụng chất lỏng ăn da với máy rửa xe áp lực.
9.10.2. Chỉ sử dụng Tẩy rửa / xà phòng an toàn vệ sinh máy rửa xe áp lực. Theo dõi tất cả các Hướng dẫn của nhà sản xuất
10. XỬ LÝ SỰ CỐ
10.1. Nếu bạn đang gặp vấn đề không được liệt kê trong biểu đồ này, hoặc có kiểm tra tất cả các nguyên nhân có thể được liệt kê và bạn vẫn gặp vấn đề, Liên hệ với Aftersales theo số 01646 687880.
10.2. Động cơ xăng gặp rắc rối.
 
 
 | Vấn đề | 
 Nguyên nhân | 
 Điều chỉnh | 
 
 
   
   
   
 Máy có các vấn đề sau: 
 Thất bại trong việc tạo ra áp lực, áp lực bất thường, chattering, mất áp lực, lượng nước thấp. | 
 1. Đầu phun phun áp suất thấp. 
 2. Lối vào nước bị chặn. 
 3. Không đủ nước. 
 4. Ống dẫn vào bị kẹt hoặc rò rỉ. 
 5. Màn hình ống dẫn khí bị tắc. 
 6. Cấp nước trên 100 ° F (38 ° C). 
 7. Ống áp suất cao bị khóa hoặc bị rò rỉ. 
 8. Rò rỉ súng phun. 
 9. Đầu xịt bị nghẽn. 
 10. Bơm bị lỗi. | 
 1. Thay thế bằng xịt áp suất cao. 
 2. Lõm vào. 
 3. Cung cấp dòng nước đầy đủ. 
 4. Để ống dẫn vào thẳng, vá rò 
 5. Kiểm tra và lau màn hình ống dẫn. 
 6. Cung cấp nước lạnh. 
 7. Xoá dị vật trong ống thoát. 
 8. Thay thế súng phun. 
 9. Làm sạch đầu phun. 
 10. Liên hệ với đại lý dịch vụ địa phương. | 
 
 
   
   
 Chất tẩy rửa không kết hợp với thuốc xịt. | 
 1. Ống xả chất tẩy rửa không bị chìm. 
 2. Ống xả chất tẩy rửa / bộ lọc bị tắc hoặc nứt. 
 3. Đầu phun phun áp suất cao. | 
   
 1. Lắp ống xả chất tẩy vào. 
 2. Lau hoặc thay ống lọc / tẩy rửa. 
 3. Thay thế bằng đầu phun xịt áp suất thấp. | 
 
 
 | Động cơ không có điện. | 
 1. Bộ lọc không khí bẩn. | 
 1. Thay bộ lọc không khí | 
 
 
   
   
   
 Động cơ không khởi động được | 
   
 1. Cần gạt búa bật / tắt chuyển sang vị trí OFF 
 2. Không có nhiên liệu trong động cơ 
 3. Bánh bugi bẩn 
 4. Áp suất xây dựng trong bơm | 
 1. Chuyển cần điều khiển sang vị trí ON 
 2. Đổ đầy bình nhiên liệu vào bể chứa nhiên liệu 
 3. Thay thế bằng bugi đánh lửa của nhà máy 
 4. Bóp kích hoạt trên lance phun | 
 
 
   
 Các đơn vị có cảnh báo Oil | 
 1. Động cơ không cấp hoặc mức dầu động cơ quá thấp | 
 1. Đặt động cơ lên mặt nước hoặc lấp đầy thùng xe với dầu SAE 15W40 | 
 
 
 | Động cơ hoạt động tốt khi không có tải nhưng "lõm" xuống dưới trọng tải | 
 1. Tốc độ động cơ quá chậm | 
 1. Điều chỉnh cần Ga Quay lại Đầy đủ. | 
 
 
   
   
   
 Động cơ sẽ không bắt đầu; Hoặc bắt đầu và chạy thô 
   
   
   
   
   
   
   
   
 Động cơ ngừng hoạt động | 
 1. Mức dầu thấp 
 2. Bộ lọc không khí bẩn 
 3. Hết xăng 
 4. Nhiên liệu cũ 
 5. Dây bích lửa không kết nối với bugi 
 6. Bugi kém 
 7. Nước trong xăng 
 8. Nghẹt hơi 
   
   
   
   
 1. Hết xăng 
 2. Mức dầu thấp | 
 1. Đổ dầu vào thùng chứa đến mức thích hợp 
 2. Làm sạch hoặc thay thế máy lọc không khí 
 3. Đổ đầy bình nhiên liệu 
 4. Xả bình xăng, đổ đầy nhiên liệu tươi 
 5. Kết nối dây bugi 
 6. Thay vỏ bugi 
 7. Xả bình xăng, đổ đầy nhiên liệu tươi 
 8. Mở choke đầy đủ và động cơ tua 
   
 1. Đổ đầy bình nhiên liệu 
 2. Đổ đầy bình dầu vào bình | 
 
 
 | Động cơ thiếu công suất | 
 1. Bộ lọc không khí bẩn | 
 1. Thay bộ lọc không khí | 
 
 
   
   
 Động cơ "putts" hoặc chùng xuống | 
   
   
 1. Choke được mở quá sớm | 
 1. Di chuyển choke đến vị trí nửa chừng cho đến khi động cơ chạy trơn 
 * Tất cả các động cơ phục vụ được đưa đến nhà cung cấp dịch vụ được ủy quyền của nhà cung cấp | 
 
 
10.3. Xử lý sự cố bơm.
 
 
 | Vấn đề | 
 Nguyên nhân | 
 Điều chỉnh | 
 
 
 | Không có chất tẩy rửa áp suất thấp | 
 1. Sử dụng vòi phun sai 
 2. Cắm ống Siphon hoặc bộ lọc | 
 1. Thay vòi đen dùng cho xà phòng 
 2. Rút ống siphon | 
 
 
   
   
   
 Máy không đạt được áp suất yêu cầu | 
   
 1. Nguồn nước bị hạn chế hoặc thiếu nước. 
 2. Ống không phù hợp hoặc bị mòn. 
 3. 3. Bộ điều chỉnh đặt quá thấp. | 
 1. Kiểm tra vòi cung cấp, vòi nước và bộ lọc nước vào. Phải được nối với nguồn nước cung cấp 6 GPM 
 2. Thay vòi phun 
 3. Đặt lại bộ phận điều áp bằng cách xoay núm (tăng áp lực theo chiều kim đồng hồ) | 
 
 
   
 Van Nhiệt mở và xả nước từ phía máy bơm | 
 1. Nhiệt độ nước quá cao 
 2. Bơm đã hoạt động hơn 3 phút mà không kích hoạt. | 
 1. Chỉ sử dụng nước mát. 
 2. Kéo kích hoạt ít nhất 30 giây mỗi 3 phút | 
 
 
   
   
 Rò rỉ trong các phụ kiện | 
   
 1. Nước rò rỉ trong các phụ tùng cao áp, ống hoặc súng. | 
 1. Sử dụng băng keo Teflon hoặc chất trám kín ống để thắt ống nối, thay ống hoặc súng 
 ** Nếu vấn đề vẫn còn tiếp diễn, hãy đến nhà phân phối máy rửa xe áp lực | 
 
 
   
 Bơm dầu thấp? | 
   
 1. Sử dụng bình thường tiêu thụ dầu theo thời gian | 
 1. Để đo mức dầu, hãy nhìn thẳng vào kính nhìn. Mức dầu luôn luôn phải ở điểm giữa. Đừng quá đầy. Thay dầu SAE 15W 40. | 
 
 
   
 Dầu là màu sữa | 
 1. Con dấu đã bị mòn do sử dụng và nước đã rò rỉ | 
 1. Mang máy đến trung tâm dịch vụ địa phương để thay thế con dấu. | 
 
 
 
11. BẢO QUẢN
11.1. THÔNG BÁO Bạn phải bảo vệ thiết bị khỏi bị nhiệt độ đông cứng.
11.1.1. Không làm như vậy sẽ làm hỏng máy rửa xe áp lực của bạn vĩnh viễn và làm cho thiết bị của bạn không hoạt động.
11.1.2. Hư hỏng máy do đóng băng không được bảo hành.
11.2. Để bảo vệ máy khỏi nhiệt độ đóng băng :
11.2.1. Sử dụng máy bơm để điều trị bơm. Điều này giảm thiểu thiệt hại gây ra và bôi trơn Piston và con dấu. Liên hệ với đại lý địa phương của bạn để biết giải pháp bơm saver.
11.2.2. Nếu không có máy bơm tiết kiệm, hãy nối một phần của vòi vườn vào
11.2.3. Bộ phận tiếp điểm nước. Đổ RV-chất chống đông (chất chống đông mà không có cồn) vào ống. Kéo thu lượn hai lần. Ngắt ống 1 mét.
11.2.4. Lưu trữ thiết bị ở khu vực sạch, khô (ưu tiên khu vực nóng).
11.3. Lưu trữ dài hạn.
11.3.1. Nếu bạn không có kế hoạch sử dụng máy rửa xe áp lực trong hơn 30 ngày, bạn phải chuẩn bị động cơ và bơm để lưu trữ lâu dài.
11.4. Bảo vệ hệ thống nhiên liệu
11.4.1. Phụ gia Nhiên liệu:
11.4.2. Nhiên liệu sẽ trở nên cũ khi lưu trữ trong 30 ngày. Nhiên liệu thô làm cho axit và chấy nhầy hình thành trong hệ thống nhiên liệu hoặc các bộ phận chế hòa khí cần thiết. Trước khi cất giữ, nếu xăng chưa được xử lý bằng chất ổn định nhiên liệu, nó phải được xả ra từ động cơ vào bình chứa được phê duyệt. Sau đó, chạy động cơ cho đến khi nó dừng lại từ thiếu nhiên liệu. Khi các chất ổn định nhiên liệu được sử dụng theo chỉ dẫn của chúng, không cần cẩu dầu từ động cơ trước khi bảo quản. Chạy động cơ trong một thời gian ngắn để ổn định lưu thông trong toàn bộ hệ thống nhiên liệu. Động cơ và nhiên liệu có thể được lưu trữ đến 24 tháng.
11.4.3. Nếu xăng rút hết, việc sử dụng bình ổn định nhiên liệu trong bình chứa vẫn được khuyến cáo để duy trì độ tươi.
11.5. THÔNG BÁO Bạn phải bảo vệ thiết bị khỏi bị nhiệt độ đông cứng.
11.5.1. Không làm như vậy sẽ làm hỏng máy bơm của bạn vĩnh viễn và làm cho thiết bị của bạn không hoạt động.
11.5.2. Hư hỏng do đóng băng không được bảo hành.
11.6. Mẹo lưu trữ khác.
11.6.1. KHÔNG cất trữ nhiên liệu từ mùa này sang mùa khác trừ khi nó đã được xử lý như được mô tả trong Hệ thống Bảo vệ Nhiên liệu.
11.6.2. Thay bình chứa nhiên liệu nếu nó bắt đầu rỉ. Rỉ ra/ hoặc chất bẩn trong nhiên liệu có thể gây ra vấn đề nếu nó được sử dụng với thiết bị này.
11.6.3. Đậy nắp với một vỏ bảo vệ thích hợp không giữ được độ ẩm.
11.6.4. CẢNH BÁO Máng che bảo quản có thể dễ cháy.

11.6.4.1. KHÔNG đặt một nắp khoang qua một máy giặt áp suất nóng.
11.6.4.2. Để thiết bị đủ nguội trong một thời gian trước khi đặt nắp lên thiết bị.
11.6.5. Lưu trữ máy trong một khu vực sạch sẽ và khô.
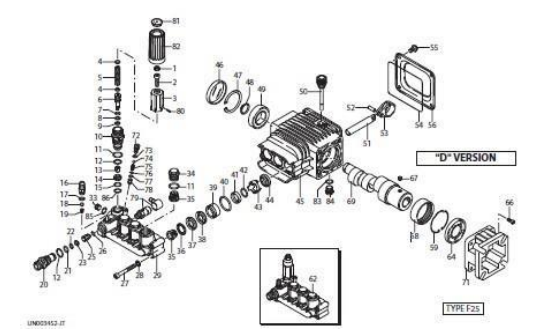
12. PHẦN PHÂN PHỐI  
GHI CHÚ Máy rửa xe HYW3100P (sử dụng cùng bơm và động cơ như HYW2500P nhưng với khung kiểu truyền thống như HYW4000P).
Chú ý Máy rửa xe HYW3100P2 (sử dụng cùng bơm và động cơ như HYW3000P nhưng với khung kiểu truyền thống như HYW4000P).
12.1. Máy rửa xe áp lực (HYW2500P).
 
 
 | No. | 
 Mã Phần | 
 Sự miêu tả | 
 Số | 
 
 
   
   
 1 
   | 
 85.201.025 | 
 Đầu phun QR 0 ° - 0,25 | 
 1 | 
 
 
 | 85.216.025 | 
 Vòi phun QR 15 ° - 0,25 | 
 1 | 
 
 
 | 85.241.025 | 
 Vòi phun QR 40 ° - 0,25 | 
 1 | 
 
 
 | 85.266.401 | 
 Vòi phun Xà phòng bằng Brass | 
 1 | 
 
 
 | RJ-3030-CS | 
 Vòi phun Turbo | 
 1 | 
 
 
 | 2 | 
 85.600.122-0.2 | 
 Xử lý lắp ráp | 
 1 | 
 
 
 | 3 | 
 85.600.122-02.3 | 
 Tấm hình Decal | 
 1 | 
 
 
 | 4 | 
 85.600.122-05 | 
 Bộ bánh xe | 
 2 | 
 
 
 | 5 | 
 85.600.122-03 | 
 Tấm nền | 
 1 | 
 
 
 | 6 | 
 85.600.122-06 | 
 Bộ dụng cụ chứa xà phòng | 
 1 | 
 
 
 | 7 | 
 HYMC2110ZBG | 
 Bơm trục | 
 1 | 
 
 
 | 8 | 
 85.400.005 | 
 Vòi bơm xà phòng - 1m | 
 1 | 
 
 
 | 9 | 
 DH1003 | 
 Động cơ Hyundai - HY210 | 
 1 | 
 
 
 | 10 | 
 DN1059 | 
 Vòi 1/4” - 10m | 
 1 | 
 
 
 | 11 | 
 AC1020 | 
 Trigger Gun - 3200PSI | 
 1 | 
 
 
 | 12 | 
 85.300.133 | 
 Cáp 3 / 8MNPT x M22 | 
 1 | 
 
 
 
12.2. Máy rửa xe áp lực (HYW4000P).
 
 
 | STT | 
 Mã Phần | 
 Sự miêu tả | 
 Số | 
 
 
 1 
   | 
 85.201.025 | 
 Đầu phun QR 0 ° - 0,25 | 
 1 | 
 
 
 | 85.216.025 | 
 Vòi phun QR 15 ° - 0,25 | 
 1 | 
 
 
 | 85.241.025 | 
 Vòi phun QR 40 ° - 0,25 | 
 1 | 
 
 
 | 85.266.401 | 
 Vòi phun Xà phòng bằng Brass | 
 1 | 
 
 
 | THA-15 | 
 Vòi phun Turbo | 
 1 | 
 
 
 | 2 | 
 85.600.122-0.2 | 
 Tấm hình Decal | 
 1 | 
 
 
 | 3 | 
 85.600.122-02R3 | 
 Xử lý lắp ráp | 
 1 | 
 
 
 | 4 | 
 85.660.050B | 
 12 "bánh xe | 
 2 | 
 
 
 | 5 | 
 85.600.125-01R3 | 
 Hệ thống khung phụ | 
 1 | 
 
 
 | 6 | 
 DH1004 | 
 Động cơ Hyundai – HY420 | 
 1 | 
 
 
 | 7 | 
 RSV4G40 | 
 Bơm AR Triplex | 
 1 | 
 
 
 | 8 | 
 85.300.119 | 
 Bộ Adapter Kit 3/8 "Nam | 
 1 | 
 
 
 | 9 | 
 85.300.102 | 
 Khớp nối 1/4 "QD Nữ | 
 1 | 
 
 
 | 10 | 
 85.400.005 | 
 Xà phòng Hose Assembly - 1m | 
 1 | 
 
 
   
 11 | 
 DN1028 | 
 Ống cao su HP - 15 m | 
 1 | 
 
 
 | 85.300.103 | 
 Khớp nối 3/8 "QD Nữ | 
 1 | 
 
 
 | 85.300.104 | 
 Cáp 3/8 Nữ (Thép) | 
 1 | 
 
 
 | 12 | 
 85.202.108 | 
 Trigger Gun 5000PSI | 
 1 | 
 
 
 | 13 | 
 85.202.026 | 
 Đũa 38 "Moulded GR | 
 1 | 
 
 
 | 14 | 
 85.300.102 | 
 Khớp nối 1/4 "QD Nữ | 
 1 | 
 
 
 | 15 | 
 85.300.105 | 
 Cáp 3/8 "MNPT (Thép) | 
 1 | 
 
 
 
12.3. Máy rửa xe áp lực (HYW2500P).
 
 
 
 | Pos | 
 Mã | 
 Sự miêu tả | 
 Số | 
 Pos | 
 Mã | 
 Sự miêu tả | 
 Số | 
 
 
 | 1 | 
 800220 | 
 Đinh ốc | 
 3 | 
 38 | 
 3700220 | 
 Van | 
 1 | 
 
 
 | 2 | 
 2841620 | 
 áp suất | 
 1 | 
 39 | 
 3700210 | 
 Lò xo | 
 1 | 
 
 
 | 6 | 
 2840830 | 
 Đinh ốc | 
 1 | 
 40 | 
 800560 | 
 Vòng chữ O | 
 2 | 
 
 
 | 7 | 
 600180 | 
 Vòng chữ O | 
 1 | 
 41 | 
 3700200 | 
 Đầu phun | 
   | 
 
 
 | 8 | 
 2841530 | 
 Phích cắm | 
 3 | 
 42 | 
 2841220 | 
 Lắp | 
 1 | 
 
 
 | 9 | 
 740290 | 
 Vòng chữ O | 
 1 | 
 43 | 
 2841230 | 
 Lắp | 
 1 | 
 
 
 | 10 | 
 2849050 | 
 Van hoàn chỉnh | 
 6 | 
 44 | 
 1266330 | 
 Bộ lọc | 
 1 | 
 
 
 | 11 | 
 1470210 | 
 Vòng chữ O | 
 1 | 
 46 | 
 2841120 | 
 Lắp | 
 1 | 
 
 
 | 12 | 
 2841080 | 
 Bệ | 
 1 | 
 48 | 
 2840060 | 
 Lò xo | 
 3 | 
 
 
 | 13 | 
 2840760 | 
 Màn trập | 
 1 | 
 49 | 
 2840530 | 
 pít tông | 
 3 | 
 
 
 | 14 | 
 820510 | 
 Vòng chữ O | 
 1 | 
 50 | 
 2840050 | 
 Khoá | 
 3 | 
 
 
 | 15 | 
 2840960 | 
 Hướng dẫn Piston | 
 1 | 
 51 | 
 1980130 | 
 Bánh thứ năm | 
 1 | 
 
 
 | 16 | 
 2760210 | 
 Vòng | 
 1 | 
 52 | 
 1980250 | 
 Bánh thứ năm | 
 1 | 
 
 
 | 17 | 
 660190 | 
 Vòng chữ O | 
 1 | 
 53 | 
 1980240 | 
 Bánh thứ năm | 
 1 | 
 
 
 | 18 | 
 2260100 | 
 Vòng chữ O | 
 1 | 
 54 | 
 2840730 | 
 Tấm lắc | 
 1 | 
 
 
 | 19 | 
 2841140 | 
 pít tông | 
 1 | 
 55 | 
 161060 | 
 Vòng bi | 
 1 | 
 
 
 | 20 | 
 1060120 | 
 Hạt | 
 1 | 
 56 | 
 161050 | 
 Vòng | 
 2 | 
 
 
 | 21 | 
 2840970 | 
 Đinh ốc | 
 1 | 
 57 | 
 2841050 | 
 Vòng | 
 1 | 
 
 
 | 22 | 
 1980390 | 
 chèn | 
 1 | 
 58 | 
 2840890 | 
 Vòng chữ O | 
 2 | 
 
 
 | 23 | 
 1980220 | 
 Tấm lắc | 
 2 | 
 59 | 
 2840450 | 
 Phích cắm | 
 1 | 
 
 
 | 24 | 
 2790410 | 
 Lò xo | 
 1 | 
 60 | 
 480650 | 
 Zoăng | 
 1 | 
 
 
 | 25 | 
 2200141 | 
 cửa van thủy lực | 
 6 | 
 61 | 
   
 2840441 | 
   
 Bệ | 
 1 | 
 
 
 | 26 | 
 770590 | 
 Vòng chữ O | 
 3 | 
 62 | 
 2840450 | 
 Lò xo | 
 1 | 
 
 
 | 27 | 
 2840550 | 
 lót trục | 
 3 | 
 63 | 
 1060100 | 
 Bi | 
 1 | 
 
 
 | 28 | 
 2840540 | 
 lót trục | 
 3 | 
 64 | 
 2761380 | 
 Van | 
 1 | 
 
 
 | 29 | 
 1683500 | 
 van dầu | 
 3 | 
 65 | 
 2841520 | 
 Vòng chữ O | 
 3 | 
 
 
 | 30 | 
 2840231 | 
 Thân máy bơm | 
 1 | 
 66 | 
 3400650 | 
 Phích cắm | 
 1 | 
 
 
 | 31 | 
 480560 | 
 Vòng chữ O | 
 1 | 
 67 | 
 3700250 | 
 Vòng chữ O | 
 1 | 
 
 
 | 32 | 
 2840710 | 
 Phích cắm | 
 1 | 
 68 | 
 1080070 | 
 Ghim | 
 1 | 
 
 
 | 33 | 
 480480 | 
 Vòng chữ O | 
 1 | 
 69 | 
 1262790 | 
 Vòi tẩy rửa | 
 1 | 
 
 
 | 34 | 
 3700240 | 
 Đuôi ống | 
 1 | 
 70 | 
 2000230 | 
 Bộ lọc | 
 1 | 
 
 
 | 35 | 
 150280 | 
 Bi | 
 1 | 
 71 | 
 1981770 | 
 Phích cắm | 
 1 | 
 
 
 | 36 | 
 1560520 | 
 Lò xo | 
 1 | 
 72 | 
 1981780 | 
 núm điều khiển | 
 1 | 
 
 
 | 37 | 
 1460431 | 
 Vòng chữ O | 
 1 | 
   | 
 
 
 
 
 
 | A = KIT 42123 VAN | 
 E = KIT 42701 O-RINGS | 
 E = KIT 42701 O-RINGS | 
 
 
 | Pos       | 
 Số | 
 Pos       | 
 Số | 
 Pos       | 
 Số | 
 
 
 | 10 | 
 6 | 
 7 | 
 1 | 
 33 | 
 1 | 
 
 
 | B = KIT 42161 PISTONS | 
 9 | 
 1 | 
 37 | 
 1 | 
 
 
 | Pos       | 
 Số | 
 1 | 
 1 | 
 40 | 
 2 | 
 
 
 | 49 | 
 3 | 
 1 | 
 1 | 
 58 | 
 2 | 
 
 
 | C = KIT 42127 DẦU | 
 18 | 
 1 | 
 65 | 
 3 | 
 
 
 | Pos       | 
 Số | 
 26 | 
 3 | 
 66 | 
 1 | 
 
 
 | 29 | 
 3 | 
 31 | 
 1 | 
 67 | 
 1 | 
 
 
 | 57 | 
 1 | 
   | 
 
 
 | D = KIT 2235 DẦU | 
   | 
 
 
 | Pos       | 
 Số | 
   | 
 
 
 | 25 | 
 6 | 
   | 
 
 
 
 
 
 
12.4. Bơm Annovi Reverberi HYW3000P
 
 
 | Pos | 
 Mã | 
 Sự miêu tả | 
 Số | 
 Pos | 
 Mã | 
 Sự miêu tả | 
 Số | 
 Pos | 
 Mã | 
 Sự miêu tả | 
 Số | 
 
 
 | 1 | 
 1060120 | 
 khớp nối | 
 1 | 
 27 | 
 801080 | 
 Đinh ốc | 
 8 | 
 55 | 
 802190 | 
 Đinh ốc | 
 4 | 
 
 
 | 2 | 
 2840970 | 
 Đinh ốc | 
 1 | 
 28 | 
 1381550 | 
 gioăng | 
 8 | 
 56 | 
 2760110 | 
 Nắp đậy sau | 
 1 | 
 
 
 | 3 | 
 1980390 | 
 Xử lý chèn | 
 1 | 
 29 | 
 2761050 | 
 áp suất | 
 1 | 
 58 | 
 1321190 | 
 Vòng bi | 
 1 | 
 
 
 | 4 | 
 1980220 | 
 Mảng lò xo | 
 2 | 
 33 | 
 880581 | 
 Phích cắm | 
 1 | 
 59 | 
 1321080 | 
 vòng chặn | 
 1 | 
 
 
 | 5 | 
 2760410 | 
 Lò xo | 
 1 | 
 34 | 
 2760180 | 
 Phích cắm | 
 3 | 
 62 | 
 2769224 | 
 Đầu bơm 
 Pre-ass | 
 1 | 
 
 
 | 6 | 
 2760400 | 
 Van pít tông | 
 1 | 
 35 | 
 2769050 | 
 Van hoàn chỉnh | 
 6 | 
 64 | 
 480671 | 
 chốt | 
 4 | 
 
 
 | 7 | 
 2260100 | 
 Vòng chữ O | 
 1 | 
 36 | 
 2760220 | 
 Hỗ trợ vòng | 
 3 | 
 66 | 
 180030 | 
 Đinh ốc | 
 1 | 
 
 
 | 8 | 
 660190 | 
 Vòng chữ O | 
 1 | 
 37 | 
 1342761 | 
 Gioăng | 
 3 | 
 67 | 
 820440 | 
 Đinh vít | 
 1 | 
 
 
 | 9 | 
 2760210 | 
 Vòng | 
 1 | 
 38 | 
 1981580 | 
 Vòng | 
 3 | 
 69 | 
 1781200 | 
 Trục rỗng | 
 1 | 
 
 
 | 10 | 
 2760570 | 
 Hướng dẫn Piston | 
 1 | 
 39 | 
 1981570 | 
 Hướng dẫn Piston | 
 3 | 
 71 | 
 1780580 | 
 Khung động cơ khí | 
 1 | 
 
 
 | 11 | 
 1200690 | 
 Vòng chữ O | 
 4 | 
 40 | 
 770260 | 
 Vòng chữ O | 
 3 | 
 72 | 
 2760900 | 
 Phích cắm | 
 1 | 
 
 
 | 12 | 
 394280 | 
 Vòng chữ O | 
 2 | 
 41 | 
 1260440 | 
 Gioăng | 
 3 | 
 73 | 
 480560 | 
 Vòng chữ O | 
 1 | 
 
 
 | 13 | 
 2260070 | 
 By-passjet | 
 1 | 
 42 | 
 640070 | 
 Vòng chữ O | 
 3 | 
 74 | 
 1982240 | 
 Bi | 
 1 | 
 
 
 | 14 | 
 2760980 | 
 Ghế | 
 1 | 
 43 | 
 2760310 | 
 miếng đệm | 
 3 | 
 75 | 
 2761060 | 
 Lò xo | 
 1 | 
 
 
 | 15 | 
 770140 | 
 Vòng chữ O | 
 1 | 
 44 | 
 1260460 | 
 chốt | 
 3 | 
 76 | 
 2761040 | 
 Vòng chữ O | 
 1 | 
 
 
 | 16 | 
 1982520 | 
 Đuôi ống | 
 1 | 
 45 | 
 2760780 | 
 Thân máy bơm | 
 1 | 
 77 | 
 1540840 | 
 Vòng chữ O | 
 1 | 
 
 
 | 17 | 
 480480 | 
 Vòng chữ O | 
 1 | 
 46 | 
 1266740 | 
 bệ | 
 1 | 
 78 | 
 2760890 | 
 Ghế | 
 1 | 
 
 
 | 18 | 
 1250280 | 
 Bi | 
 1 | 
 47 | 
 1260790 | 
 vòng giữ | 
 1 | 
 79 | 
 2761380 | 
 Van nhiệt | 
 1 | 
 
 
 | 19 | 
 1560520 | 
 Lò xo | 
 1 | 
 48 | 
 1780550 | 
 vòng móc | 
 1 | 
 80 | 
 1080070 | 
 Ghim | 
 1 | 
 
 
 | 20 | 
 2760230 | 
 chất tẩy rửa | 
 1 | 
 49 | 
 1780490 | 
 Vòng bi | 
 1 | 
 81 | 
 1981770 | 
 Nút nổi | 
 1 | 
 
 
 | 21 | 
 2760270 | 
 Vòng chữ O | 
 1 | 
 50 | 
 880130 | 
 Bệ dầu | 
 1 | 
 82 | 
 1981780 | 
 núm điều khiển | 
 1 | 
 
 
 | 22 | 
 1470210 | 
 Vòng chữ O | 
 1 | 
 51 | 
 880130 | 
 Piston | 
 3 | 
 83 | 
 740290 | 
 Vòng chữ O | 
 1 | 
 
 
 | 23 | 
 2760120 | 
 chất tẩy rửa | 
 1 | 
 52 | 
 1780050 | 
 Chân Piston | 
 3 | 
 84 | 
 1980740 | 
 Phích cắm | 
 1 | 
 
 
 | 24 | 
 2760240 | 
 chất tẩy rửa | 
 1 | 
 53 | 
 1780040 | 
 Thanh nhôm | 
 3 | 
 85 | 
 820510 | 
 Vòng chữ O | 
 1 | 
 
 
 | 25 | 
 2760130 | 
 lỗ phun | 
 1 | 
 54 | 
 2760281 | 
 Gioăng | 
 1 | 
 86 | 
 2760640 | 
 Vòng | 
 1 | 
 
 
 | 26 | 
 2101770 | 
 Vòng chữ O | 
 1 | 
   | 
 
 
 
 
 
 | A = KIT 2186 VAN | 
 E = KIT 42701 O-RINGS | 
 
 
 | Pos       | 
 Số | 
 Pos       | 
 Số | 
 Pos       | 
 Số | 
 
 
 | 35 | 
 6 | 
 7 | 
 1 | 
 21 | 
 1 | 
 
 
 | B = KIT 2187 PISTONS | 
 8 | 
 1 | 
 22 | 
 1 | 
 
 
 | Pos       | 
 Số | 
 9 | 
 1 | 
 26 | 
 1 | 
 
 
 | 51 | 
 3 | 
 11 | 
 4 | 
 83 | 
 1 | 
 
 
 | C = KIT 2188 DẦU | 
 12 | 
 2 | 
 85 | 
 11 | 
 
 
 | Pos       | 
 Số | 
 15 | 
 1 | 
 86 | 
 3 | 
 
 
 | 44 | 
 3 | 
 17 | 
 1 | 
   | 
 
 
 | 46 | 
 1 | 
 F = KIT 2191 VÙNG HỖ TRỢ | 
   | 
 
 
 | 54 | 
 1 | 
 Pos       | 
 Số | 
   | 
 
 
 | 56 | 
 1 | 
 36 | 
 3 | 
   | 
 
 
 | D = KIT 2235 DẦU | 
   | 
 
 
 | Pos       | 
 Số | 
   | 
 
 
 | 37 | 
 3 | 
   | 
 
 
 | 38 | 
 3 | 
   | 
 
 
 | 40 | 
 3 | 
   | 
 
 
 | 41 | 
 3 | 
   | 
 
 
 | 42 | 
 3 | 
   | 
 
 
 
13. BẢO TRÌ
13.1. GHI CHÚ  Thường xuyên hơn trong kế hoạch nếu máy được sử dụng trong điều kiện bụi bặm.
13.1.1. THẬN TRỌNG Chỉ sử dụng các bộ phận do nhà sản xuất cung cấp để giảm nguy cơ thiệt hại cho máy.
13.1.2. CẢNH BÁO Trước khi bảo dưỡng đảm bảo máy đã được tắt hoàn toàn và đảm bảo có thông gió tốt trong khu vực.
13.1.3. Xả dầu động cơ trong khi động cơ vẫn còn nóng cho phép thoát nước nhanh và dễ dàng. Hãy nhớ kiểm tra cái cống xả lại một cách an toàn sau khi cống. Khi vứt bỏ các thùng chứa dầu và dầu cũ, vui lòng làm như vậy tại trạm tái chế vì lý do môi trường.
14. TUYÊN BỐ VỀ SỰ PHÙ HỢP
14.1. Công ty Genpower Ltd xác nhận rằng máy rửa xe áp lực chạy xăng Hyundai này phù hợp với các chỉ thị CE sau đây:
14.1.1. Chỉ thị về máy móc 2006/42 / EC
14.1.2. Chỉ thị của EMC 2004/108 / EC
14.1.3. 2000/14 / EC Chỉ thị về phát thải tiếng ồn
14.1.4. 97/68 / EC Chỉ thị về phát thải khí nhà kính